nanoCAD Raster module
Automatic vectorization
1. Turn on the raster display (Ribbon: Raster>Visualization>Hide Raster).
2. Run the Raster to Vector command (Ribbon: Raster>Conversion> Raster to Vector or Toolbars Raster to Vector>R2V Convector).
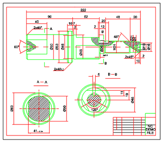
On the A-A section, a second hatching may appear (one from vectorization in trace mode, the second from automatic vectorization). Select one of the hatches and delete it.
2. Run the Raster to Vector command (Ribbon: Raster>Conversion> Raster to Vector or Toolbars Raster to Vector>R2V Convector).
On the A-A section, a second hatching may appear (one from vectorization in trace mode, the second from automatic vectorization). Select one of the hatches and delete it.